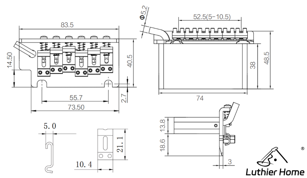
Modern Tremolos-LHBG-15A
5.27% OFF
$17.99
Product Description
Product Description
Product Description
Zinc Saddle
6-String
String Spacing: 10.5mm

Recently Viewed